Descrizione
Maniglione antipanico a barra con chiusura automatica e apertura motorizzata per porte doppie, anta primaria, 2 punti di chiusura 105UMOT
Maniglione antipanico da infilare con due punti di chiusura a riarmo automatico. Il meccanismo è a doppio funzionamento per facilitare il posizionamento ambidestro ed è predisposto per il montaggio del comando esterno (solo cilindro). Frontale con forma a U. Disponibile in due versioni di entrata: 30 e 35 mm. La motorizzazione aggiunge praticità a questo dispositivo, può essere aperto da un impulso elettrico e mantenuto aperto da un interruttore (fermo a giorno). Per l’anta attiva di porte doppie.
Caratteristiche
Protezione dalle effrazioni
Chiusura automatica ad ogni passaggio e apertura a distanza
Tipo unico per tutti i profili porta con luce da 18 a 28 mm
Articolo da abbinare con art. 106
Apertura temporizzata regolabile da 3 a 20 secondi
Possibilità di utilizzo su anta singola tramite l’incontro dedicato
Applicazione d’uso consigliata
Aeroporti, Educazione, Istituzioni finanziarie, Ospedali, Hotel, Industrie, Medie e grandi imprese, Uffici, Centrali, Edifici pubblici, Piccole e medie imprese
Specifiche tecniche
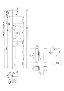
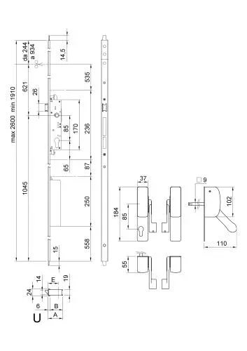
Numero di punti di chiusura 2
Meccanismo di chiusura Motorizzata
Tipo di dispositivo antipanico Barra
Anta porta Porta doppia anta: primaria
Temperatura operativa massima (Celsius) 60
Temperatura operativa minima (Celsius) -10
Opzioni disponibili su richiesta Microswitch sullo scrocco, Microswitch sulla barra, Microswitch sullo scrocco e sulla barra
Certificazioni
Classificazione EN 1125:2008 37601421AA
Configurazione
Lunghezza complessiva del dispositivo (mm) 110
Altezza complessiva del dispositivo (mm) 184
Lunghezze della barra disponibili 950, 1150, 1450
Finitura Nero RAL 9005, Grigio RAL 9006, Bianco RAL 9016, Effetto acciaio verniciato, Cromo satinato
Mano Reversibile
Altezza della serratura (mm) 2285
Larghezza della serratura (mm) 19
Posizione dello scrocco Laterale
Materiale standard dello scrocco Acciaio
Dimensione del quadro maniglia 9
Peso massimo della porta (kg) 250
Altezza massima della porta (mm) 2500
Larghezza massima della porta (mm) 1300
Materiale della cover Acciaio
Operating Temperature (Celsius) -10° a 60°

