Descrizione
Maniglione antipanico di sicurezza push bar, 1 punto di chiusura 701
Maniglione antipanico da infilare dotato di un catenaccio basculante. Il meccanismo è a doppio funzionamento per facilitare il posizionamento ambidestro ed è predisposto per il montaggio del comando esterno. Il frontale è disponibile nella versione piatta o con forma a U. Disponibile in due versioni di entrata: 30 e 35 mm. Solo per porte ad un’anta.
Caratteristiche
Protezione dalle effrazioni
Progettato per la massima rapidità di installazione
Disponibile in un’ampia gamma di finiture
Applicazione d’uso consigliata
Aeroporti, Educazione, Istituzioni finanziarie, Ospedali, Hotel, Industrie, Medie e grandi imprese, Uffici, Centrali, Edifici pubblici, Piccole e medie imprese
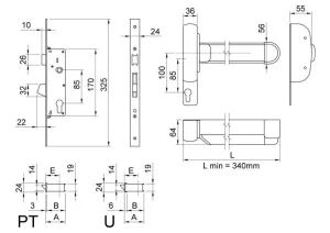
Specifiche tecniche
Numero di punti di chiusura 1
Meccanismo di chiusura Meccanico
Tipo di dispositivo antipanico Push (push-bar)
Anta porta Porta ad un anta
Temperatura operativa massima (Celsius) 60
Temperatura operativa minima (Celsius) -10
Opzioni disponibili su richiesta Microswitch sullo scrocco, Microswitch sul pulsante, Microswitch sullo scrocco e sul pulsante
Certificazioni
Classificazione EN 1125:2008 37701422BB
Configurazione
Lunghezza complessiva del dispositivo (mm) 64
Altezza complessiva del dispositivo (mm) 208
Materiale della barra Alluminio
Finitura standard della barra Nero RAL 9005, Grigio RAL 9006, Bianco RAL 9016, Rosso RAL 3020, Verde RAL 6029, Alluminio anodizzato, Effetto acciaio verniciato, Cromo satinato
Lunghezze della barra disponibili 1170, 1300
Finitura Nero RAL 9005, Grigio RAL 9006, Bianco RAL 9016, Effetto acciaio verniciato, Cromo satinato
Mano Reversibile
Altezza della serratura (mm) 170
Larghezza della serratura (mm) 19
Posizione dello scrocco Laterale
Materiale standard dello scrocco Acciaio
Dimensione del quadro maniglia 9
Peso massimo della porta (kg) 250
Altezza massima della porta (mm) 2500
Larghezza massima della porta (mm) 1300
Materiale della cover Acciaio
Operating Temperature (Celsius) -10° a 60°

